شیمادزو

Remarks Part No Part Name No
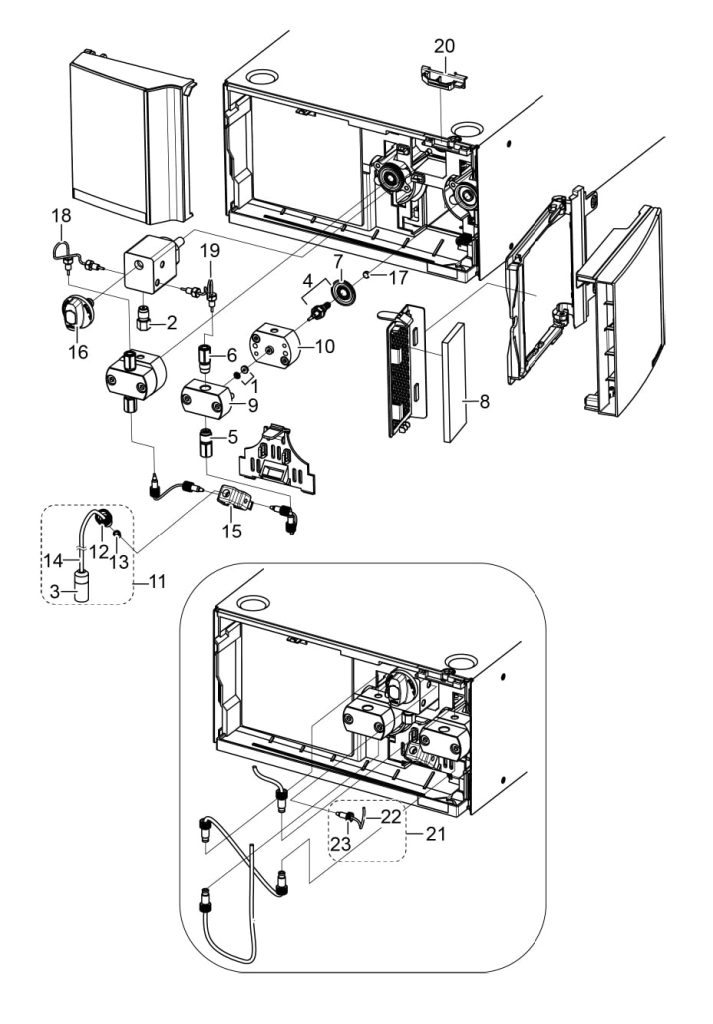
Seal for pump head, with backup ring 228-52711-93 PLUNGER SEAL 1
Optional parts 228-52711-94 Plunger Seal GFP
LC-40D X3 CL 228-57501-92 Line Filter ASSY, SUS 2
LC-40D XR CL 228-35871-96
Filter body only (cleaned) 228-45707-91 Suction filter 3
with diaphragm 228-52069-44 Plunger Holder ASSY 4
LC-40D X3 CL 228-52964-42 Inlet Check Valve ASSY 5
LC-40D XR CL 228-48249-96
LC-40D XR CL 228-48249-97 Inlet Check Valve ASSY, 2 pieces
LC-40D X3 CL 228-53334-96 Outlet Check Valve ASSY 6
LC-40D XR CL 228-45705-43
228-55272-41 DIAPHRAGM 2PCS 7
Filter only 228-53924-06 AIR FILTER FOR RIGHT PANEL 8
228-55230-45 PUMP HEAD 9
228-38022-01 HEAD HOLDER,2030 10
228-45708-91 Suction Filter ASSY 11
For suction filter 228-39084 PEEK Bush Fitting 3 12
For suction filter 228-12493 FERRULE,3.0F-T 13
For suction filter 670-10321-05 FEP TUBE 3.0 (O.D.)×1.5(I.D.) 14
Pump inlet 228-47518 INLET BLOCK PEEK 15
228-51229-93 DRAIN VALVE ASSY,TP 16
228-34469 THRUST 17
For the left pump head of LC-40D X3 CL 228-70472-01 SUS PIPE L 18
For the left pump head of LC-40D XR CL 228-70026-01
For the right pump head of LC-40D X3 CL 228-70472-02 SUS PIPE R 19
For the right pump head of LC-40D XR CL 228-70026-02
228-70044 TUBE HOLDER 20
228-25495-93 DRAIN TUBE ASSY 21
For use between the inlet block and the check valve 228-18495-01 ETFE TUBE 1.6(O.D.)X0.8(I.D.) 22
For plumbing between the inlet block and the check valve 228-35403 MALE NUT 1.6 PEEK 23

Maintenance Kit for LC-40D X3 CL (Parts No. 228-53265-45)

Remarks Quantity Part No. Part Name
With backup ring 2 228-52711-93 PLUNGER SEAL,BACKUP RING UHP
1 228-57501-92 Line Filter ASSY, SUS
1 228-45708-91 Suction Filter ASSY
With diaphragm 2 228-52069-44 Plunger Holder ASSY
2 228-52964-42 Inlet Check Valve ASSY
2 228-53334-96 Outlet Check Valve ASSY
1 228-53924-06 Air Filter for Right Panel

 Maintenance Kit for LC-40D XR CL (Parts No. 228-45593-49)

Remarks Quantity Part No. Part Name
With backup ring 2 228-52711-93 PLUNGER SEAL,BACKUP RING UHP
1 228-35871-96 Line Filter ASSY, SUS
1 228-45708-91 Suction Filter ASSY
With diaphragm 2 228-52069-44 Plunger ASSY
2 228-16000-10 FERRULE 1.6F 316L
2 228-16001 MALE NUT 1.6MN
0.3 mm (I.D.)  2 m 1 228-50579-91 SUS316LTP 0.3
2 228-48249-96 Inlet Check Valve ASSY
2 228-45705-43 Outlet Check Valve ASSY
ﻗﻄﻌﺎت ﯾﺪﮐﯽ ﮐﺮوﻣﺎﺗﻮﮔﺮاﻓﯽ شیمادزو
مشاوره آنلاین ﺷﺮﮐﺖ زﯾﺴﺖ ﺗﺸﺨﯿﺺ ﮐﻮﺷﺎ
ارسال